Червячный редуктор - PMRV 110 7,5 IEC100B5_CT-DRIVE BOX

| Производитель | CT-DRIVE BOX |
| Тип товара | Червячный редуктор |
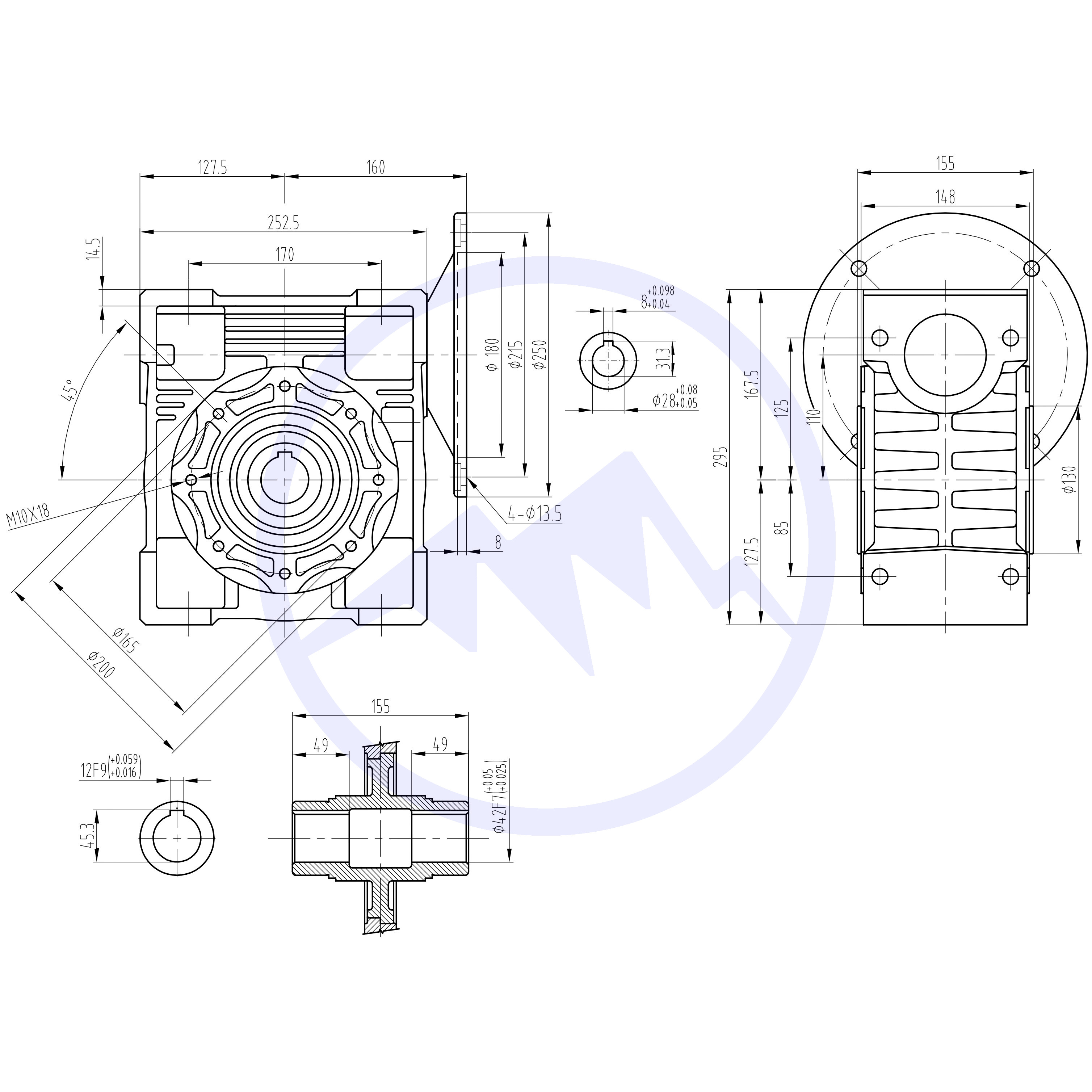
| Габарит редуктора | 110 |
| Передаточное число | 7,5 |
| Диаметр полого выходного вала, мм | 42 |
| Диаметр полого входного вала, мм | 28 |
| Наружный диаметр входного фланца, мм | 250 |
| Вес редуктора, кг | 35 |
| Наименование | PMRV 110 7,5 IEC100B5 |
* - Технические характеристики и другая информация предоставляются исключительно для справки. Мы предоставляем эти данные и полагаем, что приводимые сведения являются достоверными, однако гарантии точности или полноты подобной информации предоставлены быть не могут.
- Чертежи и изображения могут не нести все конструктивные особенности изделия.
